740224 (COIL 24VDC)

(No reviews yet) Write a Review
$28.90
SKU:
740224
Data Sheet:
View Data Sheet

Product Overview

COIL 24VDC

Description

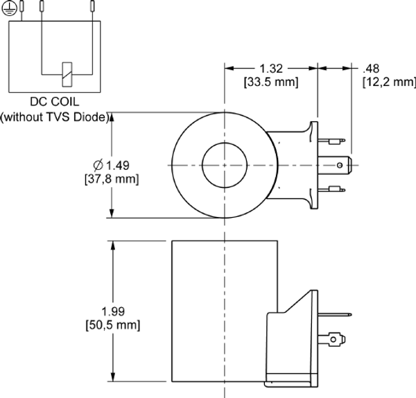
Coil Accessory - Flex Series

Specifications

Operating Temperature Range : -40 to 230 °FArc Suppression (TVS): NonePower Consumption (cold) - at rated voltage: 25 WattsMaximum Ambient Temperature: 122 °FVoltage/Frequency: 24 VDCOperating Voltage Range: +10%/-15%Duty Cycle Rating: 100 %Connector: ISO4400 - EN/DIN175301-803, Form A (ISO/DIN 43650) 3-pinSolenoid Tube Diameter: .62 in.Coil Nut Torque: 4.5 lbf in.Model Weight: 0.60 lb.

Features

-For optimum proportional performance, an amplifier with current sensing and adjustable dither should be used. Dither should be adjustable between 100 - 250 Hz.
-IP rating for this coil is IP65/IP67.
-This coil does not include a transient voltage suppression (TVS) diode and should only be used when surge suppression is included elsewhere in the electrical system. If no surge suppression is included in the circuit, the coil version with TVS diode should be used.

Terms & Conditions Apply

*Please note that image representation may only represent a product series with particular items. The buyers responsibility is to ensure the product SKU matches their specifications before purchase.

Reviews

(No reviews yet) Write a Review