740211 (COIL 115V)

(No reviews yet) Write a Review
$46.59
SKU:
740211
Data Sheet:
View Data Sheet

Product Overview

COIL 115V

Description

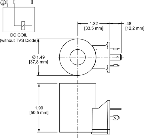
Coil Accessory - Flex Series

Specifications

Operating Temperature Range: -40 to 230 °F
Arc Suppression (TVS) : Included
Power Consumption (cold) - at rated voltage: 25 Watts
Maximum Ambient Temperature: 122 °F
Resistance at 20º C: 416 ohms ±10%
Voltage/Frequency: 115 VAC 50/60 Hz
Operating Voltage Range: +10%/-15%
Duty Cycle Rating: 100 %
Connector: ISO4400 - EN/DIN175301-803, Form A (ISO/DIN 43650) 3-pin
Coil Nut Torque: 4.5 lbf in.
Model Weight: 0.60 lb.

Terms & Conditions Apply

*Please note that image representation may only represent a product series with particular items. The buyers responsibility is to ensure the product SKU matches their specifications before purchase.

Reviews

(No reviews yet) Write a Review